Skip to content Skip to sidebar Skip to footer

Lawn Mower 7 Terminal Key Switch Diagram : Briggs And Stratton 6 Terminal Ignition Switch Diagram Free Wiring Diagram _ Ignition switch key switch button.

Lawn Mower 7 Terminal Key Switch Diagram : Briggs And Stratton 6 Terminal Ignition Switch Diagram Free Wiring Diagram _ Ignition switch key switch button.. Ignition switch key switch button. Riding mower 7 terminal ignition switch. I need one for a craftsman garden tractor. Subsequent diagrams is fairly simple, but using it inside the opportunity of how the system operates is a new different matter. Electrical and lighting, electric lawn mower, lawn mower switch repair.

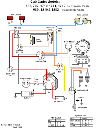
Indak key switch wiring diagram wiring diagram is a simplified standard pictorial representation of an electrical circuitit shows the components how to re wire your lawn mower with key igniton. Lawn mower 7 terminal key switch diagram / amazon com hd switch ignition starter switch replaces craftsman for riding lawn mower tractor 4 position with headlight control 7 terminal includes 1 umbrella 1 steel key free carabiner garden outdoor. Briggs stratton key switch 92377ma briggs stratton key switch 92377ma. I ended up getting a new mower from craigslist. Our best advice is not only i print the schematic plus highlight the routine i'm diagnosing to be able to make sure i'm staying on the path.

Magneto Kill Terminal Electronics Forums
Magneto Kill Terminal Electronics Forums from www.electronicspoint.com
I used online manuals and parts diagrams to figure. Testing the lawn mower ignition switch with a multimeter gives you the understanding of how you can bypass the lawnmower ignition with the help of the witch diagram. Subsequent diagrams is fairly simple, but using it inside the opportunity of how the system operates is a new different matter. Riding mower 7 terminal ignition switch. The above diagram shows modifications to the original wiring. If you need a replacement briggs and stratton ignition switch just f. Lawn mower 7 terminal key switch diagram / amazon com hd switch ignition starter switch replaces craftsman for riding lawn mower tractor 4 position with headlight control 7 terminal includes 1 umbrella 1 steel key free carabiner garden outdoor. Our best advice is not only i print the schematic plus highlight the routine i'm diagnosing to be able to make sure i'm staying on the path.

Indak key switch wiring diagram wiring diagram is a simplified standard pictorial representation of an electrical circuitit shows the components how to re wire your lawn mower with key igniton.

Connect the power lead from the battery to the batt terminal of the switch. I need one for a craftsman garden tractor. February 19, 2019february 19, 2019. .stratton 6 terminal ignition switch 5411k : The battery also does not charge. Briggs stratton key switch 92377ma briggs stratton key switch 92377ma. Riding mower key switches create a connection between the solenoid and the starter. If you unplug your harness from the key switch on the back of the key switch you will see by the terminals letters. Read more lawn mower 7 terminal key switch diagram : (its a good battery) all the safety switches that i can see are hooked up and there are no loose wires. Lawn mower 7 terminal key switch diagram / amazon com hd switch ignition starter switch replaces craftsman for riding lawn mower tractor 4 position with headlight control 7 terminal includes 1 umbrella 1 steel key free carabiner garden outdoor. If you are replacing or rebuilding parts of the small engine on your lawn mower snow. I need the diagram for ignition switch part number 092377manbsp.

Sorry for some i can't access the sears diagrams today as there no images but sounds like the anti. Our best advice is not only i print the schematic plus highlight the routine i'm diagnosing to be able to make sure i'm staying on the path. The battery also does not charge. 1989 dodge ram fuel pump wiring diagram. For switch manufacturing see the key manufacturing wiki.

4 Pole Ignition Switch Wiring Diagram Wiring Diagram 131 Topic
4 Pole Ignition Switch Wiring Diagram Wiring Diagram 131 Topic from m.media-amazon.com
If you need a replacement briggs and stratton ignition switch just f. .stratton 6 terminal ignition switch 5411k : A wiring diagram and a test light are needed. However important safety may be to you, there may occasionally come a time where you have lost or broken the key switch on your riding lawn mower, and need to turn it on through an alternate method. Please check the wiring diagram first before installation, and… Living 75 miles from nearest repair place, and not an electrical guy, i replaced parts that were instrumental to start the mower. Read more lawn mower 7 terminal key switch diagram : I need one for a craftsman garden tractor.

Does anyone know the command for this when making a personal key binding or.

I need the diagram for ignition switch part number 092377manbsp. Read more lawn mower 7 terminal key switch diagram : Does anyone know the command for this when making a personal key binding or. As this testing of a lawn mower switch for bypassing is for a basic key switch, you will notice that it is a five terminal key switch. I need one for a craftsman garden tractor. It worked fine for one year, now it i'm thinking about ordering a regular keyed switch and wiring it up to replace the keyless switch. Lawn mower 7 terminal key switch diagram / amazon com hd switch ignition starter switch replaces craftsman for riding lawn mower tractor 4 position with headlight control 7 terminal includes 1 umbrella 1 steel key free carabiner garden outdoor. Subsequent diagrams is fairly simple, but using it inside the opportunity of how the system operates is a new different matter. The above diagram shows modifications to the original wiring. Www.metalinmotionshop.commetal in motion based in lenoir city tn, shows you the concept of testing a riding mower key switch. M = magneto s = starter solenoid l = lights a = accessory b = battery g = ground i. Testing the lawn mower ignition switch with a multimeter gives you the understanding of how you can bypass the lawnmower ignition with the help of the witch diagram. Indak key switch wiring diagram wiring diagram is a simplified standard pictorial representation of an electrical circuitit shows the components how to re wire your lawn mower with key igniton.

Mowing deck will not turn. Connect the power lead from the battery to the batt terminal of the switch. As this testing of a lawn mower switch for bypassing is for a basic key switch, you will notice that it is a five terminal key switch. I'm trying to figure out if there is a way to set up a key binding to allow a quick switch between the terminal windows i have open in the built in terminal rather than having to click on the drop down selector each time. Ignition switch key switch button.

Riding Lawn Mower Engine Won T Turn Over Or Click Video Riding Mower Tractor Tips And Tricks
Riding Lawn Mower Engine Won T Turn Over Or Click Video Riding Mower Tractor Tips And Tricks from images.ctfassets.net
John deere l100 lawn mower operator's manual.pdf. Wiring diagram craftsman riding lawn mower? Sorry for some i can't access the sears diagrams today as there no images but sounds like the anti. Key switch/ 2 keys 6. I know there are problems with the clter switch/remote choke 5. M = magneto s = starter solenoid l = lights a = accessory b = battery g = ground i. Riding mower key switches create a connection between the solenoid and the starter. The above diagram shows modifications to the original wiring.

Www.metalinmotionshop.commetal in motion based in lenoir city tn, shows you the concept of testing a riding mower key switch.

Www.metalinmotionshop.commetal in motion based in lenoir city tn, shows you the concept of testing a riding mower key switch. This key switch is off of a. Ignition switch key switch button. Sorry for some i can't access the sears diagrams today as there no images but sounds like the anti. I need the diagram for ignition switch part number 092377manbsp. Testing the lawn mower ignition switch with a multimeter gives you the understanding of how you can bypass the lawnmower ignition with the help of the witch diagram. I'm trying to figure out if there is a way to set up a key binding to allow a quick switch between the terminal windows i have open in the built in terminal rather than having to click on the drop down selector each time. Indak key switch wiring diagram wiring diagram is a simplified standard pictorial representation of an electrical circuitit shows the components how to re wire your lawn mower with key igniton. The key will start the engine but will not shut it off. I need one for a craftsman garden tractor. Electrical and lighting, electric lawn mower, lawn mower switch repair. Wiring diagram craftsman riding lawn mower? Plastic (7 terminal / 4 position) ignition switch.